Webcampista.com

mucho más que un foro

Webcampista.com

mucho más que un foro

Necesito informacion para instalacion

xavistrom

calladit@
Hola soy nuevo por aquí
Necesito instalación de la bateria al transformador de la caravana que también hace de cargador es una caravelair antares el transformador es igual que el de una strkquerman
Alguien que allá hecho una istalacion
 

Archivos adjuntos

  • 20200518_184543.jpg
    20200518_184543.jpg
    92,2 KB · Visitas: 49
Con todos mis respetos, no se entiende nada lo que necesitas y por eso, quizás la gente no te conteste.

Igual, poniendo algún punto y alguna coma, entenderíamos mejor la pregunta.
 
Yo lo entiendo pero no sé cómo se conecta .... quiere conectar la batería de la caravana al transformador de esta, necesita saber dónde conectar el positivo y negativo en ese transformador , yo ni idea
 
Se me ocurren varias cosas:

Si dispones de piña de 7 polos, seguir el cable que va a la conexión 2 para el positivo y 3 para el negativo. Dónde vayan esos cables, allí hay que conectar la batería.
Si la piña es de 13, el positivo puede ser el 9 o el 10 y el negativo el 13.

También se puede buscar en la caja, mediante un tester. Si está bien montado, el positivo debería ser, en teoría, rojo o azul y el negativo marrón. Conectas la caravana al coche y empiezas a buscar los 12V en la caja.

Todo depende de los conocimientos de cada uno.
 
Un compañeo del foro, que ahora no recuerdo pero que guardé sus notas por si interesaba, hace un tiempo lo puso y dijo lo siguiente:
Para usarla como cargador y aprovechar la batería para tener luz en la cv, el positivo de la misma lo conectas a B2, el negativo a cualquiera libre de la fila de atrás (usa cables un poco gruesos) y un segundo positivo mas fino al terminal + de la izda, es el encargado de controlar el estado de carga de la batería.
Espero haberte ayudado.
Un saludo
 
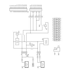
Si en el buscador del foro pones transformador nordelectronica ne213, bueno el modelo exacto, igual encuentras todo el post con la instalación.
 
Suponiendo que tienes toda la piña del coche cableada

Positivos fila inferior

B2 - > + bateria
B1 - > + piña permanente (polo 9)
EF - > + piña bajo llave (polo 10)
SF - >+ frigo
Señal + - > +bateria (otra conexión)

Negativos en fila superior de derecha a izquierda de la foto


J1 pimer pin - > - piña bajo llave (polo 11)
J3 segundo pin -> - frigo


De ahí hacia la izquierda son todos comunes, hay que conectar negativo piña permanente (polo 13) y negativo de Bateria en 2 pines cualquiera.

Intercalar los fusibles adecuados 30Amp para la bateria y 1Amp para la señal +. Las secciones de cable acorde (minimo 4 mm para la bateria, para la señal + no hace falta) .

El cable que va al simbolo + activa el cargador de baterías cuando se está conectado a la 220. Lo suyo es intercalar un interruptor para conectar y desconectar a voluntad.

Y también es recomendable intercalar un desconectador entre la bateria y b2 para evitar descargarla cuando se quede mucho tiempo parada.

Si no tienes el contacto bajo llave, la piña se conecta a EF y el negativo en J1. B1 no se conecta. El frigo funcionará conectado al coche y las luces del interior siempre las coge de la batería auxiliar.

La foto que pones tiene una instalación un poco rara, esta conectado EF pero no SF, que son la entrada de frigo y salida frigo :dontknow:


Todo bajo tu responsabilidad.



ne213.jpg
 
Arriba